Инструкция по монтажу и установки 3Д забора
Для монтажа металлического ограждения понадобятся следующие инструменты и материалы:
- Ручной мотобур или ямобур на базе автомобильного транспорта (в данном случае бурение пройдет быстрее и на большую глубину).
- Шуруповёрт
- Уровень строительный
- Рулетка
- Лопата
- Лом
- Шнур
- Нивелир лазерный (желательно)
- Ножницы по металлу
- Бетон
- Арматура
- Штрих -корректор
1. Подготовка
Место проведения работ (линия ограждения) должно быть очищено от посторонних предметов, деревьев, растений, мусора и т.д. Если стоит задача сделать ограждение в один уровень, то перед началом работ необходимо осуществить планировку и отсыпку линии ограждения.
Перед монтажом ограждения необходимо осуществить разметку территории, отметить вешками углы поворота забора и места установки столбов распашных или откатных ворот и калиток. Лицевые стороны столбов ограждения должны находится в одной плоскости с лицевыми сторонами столбов ворот и калиток.
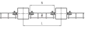
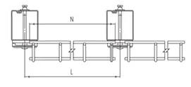
2. Разметка места установки столбов
Разметка осуществляется при помощи рулетки и указательных вешек всегда строго по осям (центрам) столбов.
Таблицы межосевого расстояния
Крепление «скоба+болт» или «скоба+саморез» для столбов любого сечения:
|
N, мм Ширина панелей |
L, мм Межосевое расстояние |
|
2500 |
2525 |
|
3000 |
3025 |
|
3100 |
3125 |
|
2400 |
2414 |
Крепление «Хомут» для столбов 62х55 мм:
|
N, мм Ширина панелей |
L, мм Межосевое расстояние |
|
2500 |
2587 |
|
3000 |
3087 |
|
3100 |
3187 |
|
2400 |
2492 |
Крепление «Хомут» для столбов 80х80 мм:
|
N, мм Ширина панелей |
L, мм Межосевое расстояние |
|
2500 |
2612 |
|
3000 |
3112 |
|
3100 |
3212 |
|
2400 |
2517 |
3. Установка столбов ограждения
Бетонирование:
- По углам площадки установить разметочные столбы. По нижней границе ограждения натянуть веревку по уровню (нивелиру).
- В заранее размеченных местах (согласно таблицам) пробурить отверстия диаметром не менее 250 мм и глубиной на 20-30 см больше глубины промерзания (для Свердловской области оптимальная глубина скважины составляет 2м для типовых грунтов – глина, суглинок).
- Провести армирование отверстий.
- Установить столбы вертикально в пробуренные отверстия, проверить лицевую линию столбов по натянутой веревке, проверить высоту каждого столба при помощи рулетки. Зафиксировать столбы при помощи подпорок.
- Произвести бетонирование столбов.
- Установить заглушку.
Установка на фланце:
В качестве фундамента под столб с фланцем может применяться любой тип фундамента (ленточный, монолитный и т.д.).
- На подготовленный фундамент необходимо нанести разметку в соответствии с таблицами.
- Крепление фланца осуществляется на анкерные болты М10х120 (либо другие; длина и сечение анкера зависят от высоты столба и размера отверстий во фланце).
Установка на винтовую опору:
- Крепление и вертикальное выравнивание столба к винтовой опоре без фланца осуществляется четырьмя болтами М16х80.
- Крепление фланца столба к фланцу винтовой опоры осуществляется болтами М12х40 с гайками М12.
4. Установка панелей ограждения
Панель ограждения необходимо монтировать в направлении ребрами жесткости от столба.
В случае, если остаток проема до крайнего столба не равен ширине панели, необходимо подрезать панель в размер при помощи ножниц по металлу. Обрезанные края панели необходимо подкрасить в нужный цвет при помощи специального штрих-корректора, во избежание возможной коррозии металла.
Перепад по высоте
Установка панелей ограждения в случае перепада высоты осуществляется тремя вариантами:
Вариант 1
Установить следующий столб выше предыдущего на высоту перепада (в случае если длина столба позволяет).
Вариант 2
Если длина столба не позволяет, сместить по высоте только панель.
Вариант 3
Сместить панели, крепящиеся в одном пролете, и закрепить их соединительными клипсами.
5. Стыковка панелей ограждения между собой
Соединение панелей (по высоте или длине) между собой осуществляется при помощи соединительных клипс (стяжек).
Монтаж клипс осуществляется по всей длине соединяемых панелей с шагом 500-800 мм. Обжимка клипс происходит при помощи специального инструмента клипсатора (быстро) или при помощи пассатижей (долго и очень трудоемко).
6. Установка наконечников
В случае, если необходимо установить верхний барьер безопасности, используется Y, L и I- образные наконечники.
I-образный (прямой) наконечник
Крепление проволоки к наконечнику осуществляется при помощи фиксатора проволоки, включающего скобу для струны и болт М6х40 с гайкой М6.
Универсальный (L-образный) наконечник
Крепление универсального наконечника к столбу осуществляется при помощи
двух болтов М6х80 или М6х100 с антивандальной гайкой
Y-образный наконечник
Наконечник устанавливается в распор столба и фиксируется гайкой М6.
7. Монтаж барьера безопасности СББ
Монтаж спирального барьера безопасности (СББ) осуществляется по верху ограждения в предварительно установленные универсальные или Y-образные наконечники. СББ укладывается на предварительно натянутую проволоку и растягивается до требуемой длины. Бухта крепится к каждому наконечнику и к натянутой проволоке при помощи вязальной проволоки методом скрутки.
Монтаж СББ на углах ограждения осуществляется на универсальные наконечники - 4 шт. на один столб (рис. А). В случае внутреннего угла необходимо сделать вырезы панелей при помощи ножниц по металлу по месту установки (рис. Б).
8. Монтаж барьера безопасности ПББ
Установка плоского барьера безопасности (ПББ) осуществляется на универсальные (L-образные) или I-образные наконечники.
ПББ укладывается на предварительно натянутую проволоку и растягивается до требуемой длины. Бухта крепится к каждому наконечнику и к натянутой проволоке при помощи вязальной проволоки методом скрутки.
9. Монтаж сетки-гасителя для ограждения спортплощадок
При монтаже заборов для спортплощадок в местах повышенных нагрузок, например, за футбольными воротами, необходимо использовать капроновые гасительные сетки. Для монтажа сеток-гасителей можно использовать Г-образные наконечники и струну из проволоки 2,5 мм к которой крепится сетка-гаситель. Отсутствие сетки-гасителя может привести к разрушению панелей ограждения. Сетка гаситель в состав ограждения не входит и приобретается отдельно. Иногда сетку гаситель используют по всему периметру, что существенно повышает срок службы 3d и 2d ограждений.
К чему приводит отсутствия сетки-гасителя за воротами футбольного поля:
Если сетка-гаситель за воротами установлена, то ограждение прослужит долго, в независимости от вида спорта:
